Trong thế giới công nghiệp ngày nay, tiêu chuẩn hóa đóng vai trò quan trọng trong việc đảm bảo an toàn và hiệu quả. Một trong những tiêu chuẩn được sử dụng rộng rãi là ANSI, đặc biệt là trong việc xác định kích thước mặt bích. Mặt bích ANSI 150 là một phần không thể thiếu trong nhiều ngành công nghiệp, từ dầu khí đến thực phẩm. Bài viết này sẽ cung cấp một cái nhìn toàn diện về kích thước mặt bích ANSI 150, từ khái niệm cơ bản đến ứng dụng thực tế. Chúng ta sẽ tìm hiểu tầm quan trọng của tiêu chuẩn ANSI, các đặc điểm và phân loại của mặt bích, cũng như hướng dẫn lựa chọn mặt bích phù hợp. Hãy cùng khám phá chi tiết hơn về chủ đề này.
Giới thiệu về tiêu chuẩn ANSI
Tầm quan trọng của tiêu chuẩn ANSI trong ngành công nghiệp
Tiêu chuẩn ANSI (American National Standards Institute) là một trong những tiêu chuẩn quan trọng nhất trong ngành công nghiệp, được áp dụng rộng rãi trên toàn cầu. Tiêu chuẩn này giúp đảm bảo rằng các sản phẩm và dịch vụ đáp ứng các yêu cầu về an toàn, chất lượng và hiệu quả. Trong ngành công nghiệp, việc tuân thủ tiêu chuẩn ANSI không chỉ giúp các công ty tiết kiệm chi phí mà còn tạo ra sự tin tưởng từ khách hàng và đối tác.
Tiêu chuẩn ANSI không chỉ giới hạn ở việc xác định kích thước và đặc điểm kỹ thuật của sản phẩm, mà còn bao gồm các quy trình kiểm tra và đánh giá chất lượng. Điều này giúp đảm bảo rằng các sản phẩm được sản xuất đều đạt tiêu chuẩn cao nhất. Ngoài ra, tiêu chuẩn ANSI còn giúp giảm thiểu rủi ro trong quá trình sản xuất và vận hành, từ đó nâng cao hiệu quả kinh doanh.
Trong bối cảnh toàn cầu hóa, việc tuân thủ tiêu chuẩn ANSI còn giúp các công ty dễ dàng tiếp cận thị trường quốc tế. Các sản phẩm đạt tiêu chuẩn ANSI thường được chấp nhận rộng rãi trên thị trường thế giới, mở ra nhiều cơ hội kinh doanh cho các doanh nghiệp.
Với những lợi ích to lớn mà tiêu chuẩn ANSI mang lại, không có gì ngạc nhiên khi ngày càng có nhiều công ty lựa chọn áp dụng tiêu chuẩn này trong hoạt động của mình. Điều này không chỉ giúp nâng cao chất lượng sản phẩm mà còn tạo ra lợi thế cạnh tranh trong ngành công nghiệp.

Khái niệm về ansi 150 flange dimensions
Đặc điểm và công dụng của mặt bích
Mặt bích là một phần không thể thiếu trong các hệ thống ống dẫn, giúp kết nối các ống, van, bơm và các thiết bị khác với nhau. Mặt bích ANSI 150 là một loại mặt bích phổ biến, được sử dụng rộng rãi trong nhiều ngành công nghiệp. Đặc điểm nổi bật của mặt bích ANSI 150 là khả năng chịu áp lực tốt, độ bền cao và dễ dàng lắp đặt.
Công dụng chính của mặt bích là tạo ra một kết nối chắc chắn giữa các phần của hệ thống ống dẫn. Điều này giúp ngăn ngừa rò rỉ và đảm bảo an toàn trong quá trình vận hành. Ngoài ra, mặt bích còn giúp dễ dàng tháo rời và bảo trì hệ thống khi cần thiết. Với những ưu điểm này, mặt bích ANSI 150 được sử dụng rộng rãi trong các ngành công nghiệp khác nhau, từ dầu khí đến thực phẩm và nước uống.
Mặt bích ANSI 150 thường được làm từ các vật liệu như thép không gỉ, thép carbon và hợp kim, giúp đảm bảo độ bền và khả năng chống ăn mòn. Điều này đặc biệt quan trọng trong các ngành công nghiệp yêu cầu độ bền cao và khả năng chịu áp lực lớn.
Với những đặc điểm nổi bật và công dụng đa dạng, mặt bích ANSI 150 đã trở thành sự lựa chọn hàng đầu của nhiều doanh nghiệp trong các ngành công nghiệp khác nhau. Việc hiểu rõ về đặc điểm và công dụng của mặt bích sẽ giúp các doanh nghiệp lựa chọn sản phẩm phù hợp nhất cho nhu cầu của mình.
Phân loại ansi 150 flange dimensions
Mặt bích ANSI 150 có nhiều loại khác nhau, phù hợp với các ứng dụng và yêu cầu kỹ thuật cụ thể. Một số loại mặt bích phổ biến bao gồm mặt bích hàn cổ, mặt bích hàn trượt, mặt bích ren và mặt bích mù. Mỗi loại mặt bích có những đặc điểm và công dụng riêng, giúp đáp ứng nhu cầu đa dạng của các ngành công nghiệp.
Mặt bích hàn cổ thường được sử dụng trong các hệ thống yêu cầu độ bền cao và khả năng chịu áp lực lớn. Loại mặt bích này có thiết kế đặc biệt, giúp giảm áp lực tại các điểm kết nối và ngăn ngừa rò rỉ. Mặt bích hàn trượt, ngược lại, có thiết kế đơn giản hơn, dễ dàng lắp đặt và bảo trì.
Mặt bích ren thường được sử dụng trong các hệ thống có áp lực thấp và không yêu cầu độ bền cao. Loại mặt bích này dễ dàng lắp đặt và tháo rời, giúp tiết kiệm thời gian và chi phí bảo trì. Mặt bích mù, với thiết kế không có lỗ, thường được sử dụng để chặn dòng chảy trong hệ thống ống dẫn.
Việc lựa chọn loại mặt bích phù hợp phụ thuộc vào nhiều yếu tố, bao gồm áp lực và nhiệt độ của hệ thống, loại chất lỏng hoặc khí được vận chuyển, và yêu cầu kỹ thuật cụ thể. Hiểu rõ về các loại mặt bích và đặc điểm của chúng sẽ giúp các doanh nghiệp lựa chọn sản phẩm phù hợp nhất cho nhu cầu của mình.
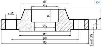
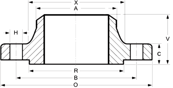
Kích thước cơ bản của mặt bích ANSI 150
Các thông số kỹ thuật chính
Kích thước mặt bích ANSI 150 được xác định dựa trên nhiều thông số kỹ thuật, bao gồm đường kính ngoài, đường kính trong, độ dày và số lượng lỗ bu lông. Các thông số này giúp đảm bảo rằng mặt bích có thể chịu được áp lực và nhiệt độ của hệ thống ống dẫn.
Đường kính ngoài của mặt bích thường dao động từ vài inch đến vài feet, tùy thuộc vào ứng dụng cụ thể. Đường kính trong thường nhỏ hơn, giúp tạo ra một kết nối chắc chắn giữa các phần của hệ thống. Độ dày của mặt bích cũng là một yếu tố quan trọng, ảnh hưởng đến khả năng chịu áp lực và độ bền của sản phẩm.
Số lượng lỗ bu lông và kích thước của chúng cũng là một yếu tố quan trọng trong việc xác định kích thước mặt bích ANSI 150. Các lỗ bu lông giúp gắn kết mặt bích với các phần khác của hệ thống, đảm bảo rằng kết nối luôn chắc chắn và an toàn.
Việc hiểu rõ các thông số kỹ thuật của mặt bích sẽ giúp các doanh nghiệp lựa chọn sản phẩm phù hợp nhất cho nhu cầu của mình. Điều này không chỉ đảm bảo an toàn và hiệu quả trong quá trình vận hành mà còn giúp tiết kiệm chi phí bảo trì và sửa chữa.
Cấu trúc và thành phần vật liệu
Mặt bích ANSI 150 thường được làm từ các vật liệu như thép không gỉ, thép carbon và hợp kim. Mỗi loại vật liệu có những đặc điểm riêng, phù hợp với các yêu cầu kỹ thuật và ứng dụng cụ thể. Thép không gỉ, với khả năng chống ăn mòn tốt, thường được sử dụng trong các ngành công nghiệp yêu cầu độ bền cao và khả năng chịu áp lực lớn.
Thép carbon, với độ bền cao và giá thành hợp lý, là lựa chọn phổ biến cho nhiều ứng dụng công nghiệp. Hợp kim, với sự kết hợp của nhiều nguyên tố, mang lại độ bền và khả năng chống ăn mòn tốt hơn, phù hợp cho các ứng dụng đặc biệt.
Cấu trúc của mặt bích cũng đóng vai trò quan trọng trong việc đảm bảo an toàn và hiệu quả trong quá trình vận hành. Mặt bích thường có thiết kế đơn giản nhưng chắc chắn, giúp tạo ra một kết nối chắc chắn giữa các phần của hệ thống ống dẫn.
Việc lựa chọn vật liệu và cấu trúc phù hợp cho mặt bích không chỉ đảm bảo an toàn và hiệu quả trong quá trình vận hành mà còn giúp tiết kiệm chi phí bảo trì và sửa chữa. Điều này đặc biệt quan trọng trong các ngành công nghiệp yêu cầu độ bền cao và khả năng chịu áp lực lớn.
Ứng dụng của mặt bích ANSI 150 trong công nghiệp
Ngành dầu khí và hóa chất
Mặt bích ANSI 150 được sử dụng rộng rãi trong ngành dầu khí và hóa chất, nơi yêu cầu độ bền cao và khả năng chịu áp lực lớn. Trong ngành dầu khí, mặt bích được sử dụng để kết nối các ống dẫn dầu và khí, đảm bảo rằng dòng chảy luôn được duy trì ổn định và an toàn.
Trong ngành hóa chất, mặt bích được sử dụng để kết nối các thiết bị và hệ thống ống dẫn, giúp ngăn ngừa rò rỉ và đảm bảo an toàn trong quá trình vận hành. Với khả năng chống ăn mòn tốt, mặt bích ANSI 150 là lựa chọn lý tưởng cho các ứng dụng trong môi trường hóa chất khắc nghiệt.
Việc sử dụng mặt bích ANSI 150 trong ngành dầu khí và hóa chất không chỉ giúp đảm bảo an toàn và hiệu quả trong quá trình vận hành mà còn giúp tiết kiệm chi phí bảo trì và sửa chữa. Điều này đặc biệt quan trọng trong các ngành công nghiệp yêu cầu độ bền cao và khả năng chịu áp lực lớn.
Với những ưu điểm nổi bật và ứng dụng đa dạng, mặt bích ANSI 150 đã trở thành sự lựa chọn hàng đầu của nhiều doanh nghiệp trong ngành dầu khí và hóa chất. Việc hiểu rõ về ứng dụng của mặt bích sẽ giúp các doanh nghiệp lựa chọn sản phẩm phù hợp nhất cho nhu cầu của mình.
Ngành công nghiệp thực phẩm và nước uống
Mặt bích ANSI 150 cũng được sử dụng rộng rãi trong ngành công nghiệp thực phẩm và nước uống, nơi yêu cầu độ an toàn và vệ sinh cao. Trong ngành thực phẩm, mặt bích được sử dụng để kết nối các thiết bị và hệ thống ống dẫn, đảm bảo rằng các sản phẩm luôn được vận chuyển một cách an toàn và vệ sinh.
Trong ngành nước uống, mặt bích được sử dụng để kết nối các hệ thống ống dẫn nước, đảm bảo rằng nước luôn được vận chuyển một cách an toàn và hiệu quả. Với khả năng chống ăn mòn tốt, mặt bích ANSI 150 là lựa chọn lý tưởng cho các ứng dụng trong môi trường ẩm ướt và có độ ẩm cao.
Việc sử dụng mặt bích ANSI 150 trong ngành công nghiệp thực phẩm và nước uống không chỉ giúp đảm bảo an toàn và vệ sinh trong quá trình vận hành mà còn giúp tiết kiệm chi phí bảo trì và sửa chữa. Điều này đặc biệt quan trọng trong các ngành công nghiệp yêu cầu độ an toàn và vệ sinh cao.
Với những ưu điểm nổi bật và ứng dụng đa dạng, mặt bích ANSI 150 đã trở thành sự lựa chọn hàng đầu của nhiều doanh nghiệp trong ngành công nghiệp thực phẩm và nước uống. Việc hiểu rõ về ứng dụng của mặt bích sẽ giúp các doanh nghiệp lựa chọn sản phẩm phù hợp nhất cho nhu cầu của mình.
Hướng dẫn lựa chọn mặt bích ANSI 150 phù hợp
Việc lựa chọn mặt bích ANSI 150 phù hợp phụ thuộc vào nhiều yếu tố, bao gồm áp lực và nhiệt độ của hệ thống, loại chất lỏng hoặc khí được vận chuyển, và yêu cầu kỹ thuật cụ thể. Để đảm bảo rằng bạn chọn được mặt bích phù hợp, hãy xem xét các yếu tố sau:
Đầu tiên, xác định áp lực và nhiệt độ của hệ thống. Mặt bích ANSI 150 thường được sử dụng cho các ứng dụng có áp lực và nhiệt độ trung bình. Nếu hệ thống của bạn yêu cầu áp lực hoặc nhiệt độ cao hơn, bạn có thể cần xem xét các loại mặt bích khác.
Thứ hai, xem xét loại chất lỏng hoặc khí được vận chuyển. Nếu hệ thống của bạn vận chuyển các chất ăn mòn hoặc có độ ẩm cao, bạn nên chọn mặt bích làm từ vật liệu chống ăn mòn như thép không gỉ hoặc hợp kim.
Thứ ba, xem xét yêu cầu kỹ thuật cụ thể của hệ thống. Điều này bao gồm kích thước và cấu trúc của mặt bích, cũng như số lượng và kích thước của các lỗ bu lông. Đảm bảo rằng mặt bích bạn chọn phù hợp với yêu cầu kỹ thuật của hệ thống.
Cuối cùng, hãy tham khảo ý kiến của các chuyên gia hoặc nhà cung cấp uy tín để đảm bảo rằng bạn chọn được mặt bích phù hợp nhất cho nhu cầu của mình. Việc lựa chọn mặt bích phù hợp không chỉ đảm bảo an toàn và hiệu quả trong quá trình vận hành mà còn giúp tiết kiệm chi phí bảo trì và sửa chữa.
Hãy liên hệ với chúng tôi để tìm hiểu thêm về Ansi 150 flange dimensions phù hợp với nhu cầu của bạn. Chúng tôi cam kết cung cấp sản phẩm chất lượng cao và dịch vụ tốt nhất để đáp ứng mọi yêu cầu của bạn trong lĩnh vực ống inox và van inox.

Kết luận
Mặt bích ANSI 150 là một phần quan trọng trong nhiều ngành công nghiệp, từ dầu khí đến thực phẩm và nước uống. Với khả năng chịu áp lực tốt, độ bền cao và dễ dàng lắp đặt, mặt bích này đã trở thành sự lựa chọn hàng đầu của nhiều doanh nghiệp. Bài viết này đã cung cấp một cái nhìn toàn diện về kích thước mặt bích ANSI 150, từ khái niệm cơ bản đến ứng dụng thực tế. Việc hiểu rõ về tiêu chuẩn ANSI, các đặc điểm và phân loại của mặt bích, cũng như hướng dẫn lựa chọn mặt bích phù hợp sẽ giúp các doanh nghiệp lựa chọn sản phẩm tốt nhất cho nhu cầu của mình. Hãy luôn nhớ rằng, việc tuân thủ tiêu chuẩn và lựa chọn sản phẩm phù hợp không chỉ đảm bảo an toàn và hiệu quả trong quá trình vận hành mà còn giúp tiết kiệm chi phí bảo trì và sửa chữa.
Rất mong các bạn quan tâm và theo dõi http://thegioivancongnghiep.com/ để cập nhật thông tin mới nhất về Ansi 150 flange dimensions