Mặt bích DIN PN25 là một thành phần quan trọng trong nhiều hệ thống công nghiệp, đóng vai trò then chốt trong việc kết nối các ống dẫn và thiết bị khác nhau. Với khả năng chịu áp suất cao và thiết kế đa dạng, mặt bích DIN PN25 được sử dụng rộng rãi trong nhiều ngành công nghiệp, từ dầu khí đến hóa chất. Bài viết này sẽ giúp bạn tìm hiểu rõ hơn về kích thước và ứng dụng của mặt bích DIN PN25, đồng thời cung cấp thông tin chi tiết để bạn có thể lựa chọn sản phẩm phù hợp nhất cho nhu cầu của mình.
Khái niệm mặt bích và công dụng
Mặt bích là một phụ kiện kết nối quan trọng trong hệ thống ống dẫn, giúp liên kết các đoạn ống với nhau hoặc với các thiết bị khác như van, máy bơm. Chúng được thiết kế để chịu được áp suất và nhiệt độ cao, đảm bảo an toàn và hiệu quả trong quá trình vận hành. Mặt bích có nhiều loại khác nhau, tùy thuộc vào tiêu chuẩn và ứng dụng cụ thể.
DIN là viết tắt của "Deutsches Institut für Normung", một tổ chức tiêu chuẩn của Đức. Tiêu chuẩn DIN quy định các thông số kỹ thuật cho nhiều loại sản phẩm công nghiệp, bao gồm mặt bích. Mặt bích theo tiêu chuẩn DIN được thiết kế để đảm bảo tính đồng nhất và tương thích trong các hệ thống công nghiệp quốc tế. Tiêu chuẩn DIN PN25 chỉ định áp suất danh nghĩa mà mặt bích có thể chịu đựng, trong trường hợp này là 25 bar.

Chi tiết về kích thước mặt bích DIN PN25
Thông số kỹ thuật chính
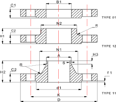
Mặt bích DIN PN25 có nhiều kích thước khác nhau, từ DN10 đến DN2000, phù hợp với nhiều loại đường ống và ứng dụng khác nhau. Các thông số kỹ thuật chính bao gồm đường kính ngoài, đường kính trong, độ dày, và số lượng lỗ bu lông. Những thông số này cần được lựa chọn cẩn thận để đảm bảo an toàn và hiệu quả trong quá trình sử dụng.
Bảng kích thước mặt bích DIN PN25 cung cấp thông tin chi tiết về các thông số kỹ thuật quan trọng như đường kính ngoài, số lượng và kích thước lỗ bu lông. Việc tham khảo bảng kích thước giúp người dùng chọn lựa được sản phẩm phù hợp với hệ thống của mình, đảm bảo tính tương thích và an toàn.
Ứng dụng thực tế của mặt bích DIN PN25
Các ngành công nghiệp sử dụng
Mặt bích DIN PN25 được sử dụng rộng rãi trong nhiều ngành công nghiệp như dầu khí, hóa chất, thực phẩm, và nước. Chúng đóng vai trò quan trọng trong việc kết nối các hệ thống ống dẫn, đảm bảo tính liên tục và an toàn trong quá trình vận hành.
Sử dụng mặt bích DIN PN25 mang lại nhiều lợi ích như khả năng chịu áp suất cao, độ bền vượt trội, và dễ dàng lắp đặt. Ngoài ra, chúng còn giúp giảm thiểu rủi ro rò rỉ, đảm bảo an toàn cho hệ thống và người sử dụng.
Làm thế nào để lựa chọn đúng mặt bích DIN PN25
Các yếu tố cần xem xét
Khi lựa chọn mặt bích DIN PN25, cần xem xét các yếu tố như áp suất làm việc, nhiệt độ, và môi trường sử dụng. Ngoài ra, việc chọn đúng kích thước và vật liệu cũng rất quan trọng để đảm bảo tính tương thích và an toàn cho hệ thống.
Chất lượng của mặt bích DIN PN25 có thể được đánh giá qua các tiêu chí như độ bền, khả năng chống ăn mòn, và độ chính xác của các thông số kỹ thuật. Việc lựa chọn nhà cung cấp uy tín cũng rất quan trọng để đảm bảo chất lượng sản phẩm.
Hãy liên hệ với chúng tôi để tìm hiểu thêm về Din pn25 flange dimensions phù hợp với nhu cầu của bạn. Chúng tôi cam kết cung cấp sản phẩm chất lượng cao và dịch vụ tốt nhất để đáp ứng mọi yêu cầu của bạn trong lĩnh vực ống inox và van inox.

Kết luận
Tầm quan trọng của việc chọn đúng kích thước mặt bích
Việc chọn đúng kích thước mặt bích không chỉ đảm bảo tính tương thích mà còn góp phần nâng cao hiệu quả và an toàn của hệ thống. Mặt bích DIN PN25 với khả năng chịu áp suất cao là lựa chọn lý tưởng cho nhiều ứng dụng công nghiệp.
Việc bảo trì thường xuyên và đúng cách sẽ giúp kéo dài tuổi thọ của mặt bích và đảm bảo hiệu suất hoạt động của hệ thống. Nên kiểm tra định kỳ các mối nối và thay thế khi cần thiết để tránh sự cố không mong muốn.
Rất mong các bạn quan tâm và theo dõi http://thegioivancongnghiep.com/ để cập nhật thông tin mới nhất về Din pn25 flange dimensions