Trong ngành công nghiệp, mặt bích đóng vai trò quan trọng trong việc kết nối các đường ống và thiết bị. Với kích thước DN 600, mặt bích không chỉ đáp ứng yêu cầu kỹ thuật mà còn đảm bảo hiệu suất hoạt động tối ưu. Bài viết này sẽ cung cấp cái nhìn tổng quan về mặt bích DN 600, từ khái niệm cơ bản đến thông số kỹ thuật và ứng dụng thực tiễn. Chúng tôi sẽ khám phá chi tiết về kích thước, chất liệu, áp suất và nhiệt độ hoạt động của mặt bích DN 600, đồng thời nêu bật lợi ích và khả năng ứng dụng của nó. Với sự tích hợp của các từ khóa như "dn 600 flange dimensions", bài viết này sẽ mang lại giá trị thông tin cao cho bạn đọc. Hãy cùng tìm hiểu chi tiết ngay sau đây!
Tổng quan về mặt bích DN 600
Khái niệm mặt bích
Mặt bích là một bộ phận cơ khí dùng để kết nối các đường ống, van, bơm và các thiết bị khác trong hệ thống đường ống. Chúng thường được sử dụng trong các ngành công nghiệp như dầu khí, hóa chất, cấp thoát nước và nhiều ngành khác. Mặt bích có thể được làm từ nhiều loại vật liệu khác nhau như thép, inox, gang, nhựa, và thường được thiết kế theo các tiêu chuẩn quốc tế để đảm bảo tính đồng bộ và an toàn trong quá trình sử dụng.
Mặt bích DN 600 là loại mặt bích có đường kính danh nghĩa là 600mm. Đây là một trong những kích thước lớn, thường được sử dụng trong các hệ thống đường ống có lưu lượng lớn hoặc áp suất cao. Với kích thước này, mặt bích DN 600 thường được ứng dụng trong các hệ thống công nghiệp quy mô lớn, nơi yêu cầu sự chắc chắn và độ bền cao.

Các dòng mặt bích theo tiêu chuẩn
Có nhiều tiêu chuẩn khác nhau được áp dụng cho mặt bích, bao gồm tiêu chuẩn ANSI/ASME, DIN, JIS, và BS. Mỗi tiêu chuẩn có các yêu cầu cụ thể về kích thước, vật liệu và áp suất làm việc. Ví dụ, tiêu chuẩn ANSI/ASME B16.5 quy định các kích thước và áp suất làm việc cho mặt bích từ DN 15 đến DN 600. Trong khi đó, tiêu chuẩn DIN thường được sử dụng ở châu Âu và có các quy định khác biệt về kích thước và áp suất.
Mặt bích DN 600 có thể được sản xuất theo nhiều tiêu chuẩn khác nhau, tùy thuộc vào yêu cầu của dự án và điều kiện hoạt động cụ thể. Việc lựa chọn tiêu chuẩn phù hợp giúp đảm bảo an toàn và hiệu quả cho hệ thống đường ống.
Thông số kỹ thuật của mặt bích DN 600
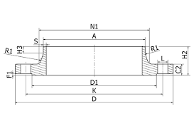
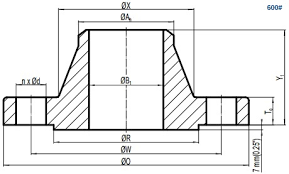
Kích thước cụ thể của mặt bích DN 600
Mặt bích DN 600 có đường kính danh nghĩa là 600mm. Tuy nhiên, kích thước thực tế của mặt bích có thể khác nhau tùy thuộc vào tiêu chuẩn sản xuất. Ví dụ, theo tiêu chuẩn ANSI/ASME B16.5, đường kính ngoài của mặt bích DN 600 có thể lên đến 990mm, với độ dày và số lượng lỗ bu lông cũng được quy định cụ thể.
Kích thước cụ thể của mặt bích DN 600 bao gồm đường kính ngoài, đường kính trong, độ dày bích, số lượng và đường kính lỗ bu lông. Những thông số này cần được xác định rõ ràng để đảm bảo mặt bích có thể kết nối chắc chắn với các thiết bị khác trong hệ thống đường ống.
Chất liệu và chất lượng dn 600 flange dimensions
Chất liệu của mặt bích DN 600 thường là thép carbon, thép không gỉ, gang, hoặc nhựa, tùy thuộc vào môi trường hoạt động và yêu cầu kỹ thuật. Thép carbon thường được sử dụng trong các ứng dụng có áp suất và nhiệt độ cao, trong khi thép không gỉ thích hợp cho các môi trường ăn mòn.
Chất lượng của mặt bích DN 600 phụ thuộc vào quy trình sản xuất và kiểm tra chất lượng. Các mặt bích chất lượng cao thường được sản xuất theo quy trình nghiêm ngặt, được kiểm tra kỹ lưỡng về kích thước, độ bền và khả năng chịu áp lực trước khi đưa vào sử dụng.
Áp suất và nhiệt độ hoạt động
Mặt bích DN 600 được thiết kế để chịu áp suất và nhiệt độ cao, phù hợp với các ứng dụng công nghiệp khắc nghiệt. Áp suất làm việc của mặt bích thường được quy định theo tiêu chuẩn sản xuất, có thể từ PN10 đến PN40 hoặc cao hơn, tùy thuộc vào vật liệu và thiết kế.
Nhiệt độ hoạt động của mặt bích DN 600 cũng phụ thuộc vào chất liệu và tiêu chuẩn sản xuất. Thép carbon có thể chịu được nhiệt độ lên đến 400 độ C, trong khi thép không gỉ có thể chịu được nhiệt độ cao hơn, phù hợp cho các ứng dụng trong ngành hóa chất và dầu khí.
Ứng dụng của mặt bích DN 600
Mặt bích DN 600 có nhiều ứng dụng trong các ngành công nghiệp khác nhau. Chúng thường được sử dụng trong các hệ thống đường ống lớn, nơi cần kết nối các thành phần có kích thước và lưu lượng lớn. Một số ứng dụng phổ biến của mặt bích DN 600 bao gồm hệ thống cấp thoát nước, hệ thống dẫn dầu và khí, và các nhà máy hóa chất.
Trong ngành dầu khí, mặt bích DN 600 được sử dụng để kết nối các đường ống dẫn dầu và khí, đảm bảo an toàn và hiệu quả trong quá trình vận chuyển. Trong ngành hóa chất, chúng được sử dụng để kết nối các thiết bị xử lý hóa chất, đảm bảo khả năng chịu ăn mòn và áp suất cao.
Lợi ích khi sử dụng mặt bích DN 600
Khả năng chịu lực và độ bền cao
Một trong những lợi ích lớn nhất của mặt bích DN 600 là khả năng chịu lực và độ bền cao. Với kích thước lớn và thiết kế chắc chắn, chúng có thể chịu được áp suất và lực tác động lớn từ các dòng chảy trong hệ thống đường ống. Điều này giúp đảm bảo an toàn và hiệu quả cho hệ thống, giảm thiểu rủi ro hỏng hóc và sự cố.
Dễ dàng lắp đặt và bảo trì
Mặt bích DN 600 được thiết kế để dễ dàng lắp đặt và bảo trì. Với các lỗ bu lông được bố trí hợp lý, việc lắp đặt và tháo dỡ mặt bích trở nên đơn giản và nhanh chóng. Điều này giúp tiết kiệm thời gian và chi phí cho quá trình bảo trì và sửa chữa hệ thống đường ống.
Tính linh hoạt và ứng dụng đa dạng
Mặt bích DN 600 có tính linh hoạt và ứng dụng đa dạng, phù hợp với nhiều loại hệ thống và điều kiện hoạt động khác nhau. Chúng có thể được sử dụng trong các hệ thống cấp thoát nước, dầu khí, hóa chất, và nhiều ngành công nghiệp khác. Sự linh hoạt này giúp mặt bích DN 600 trở thành lựa chọn tối ưu cho nhiều dự án công nghiệp.
Hãy liên hệ với chúng tôi để tìm hiểu thêm về DN 600 flange dimensions phù hợp với nhu cầu của bạn. Chúng tôi cam kết cung cấp sản phẩm chất lượng cao và dịch vụ tốt nhất để đáp ứng mọi yêu cầu của bạn trong lĩnh vực ống inox và van inox.

Tóm lại, mặt bích DN 600 là một giải pháp kết nối hiệu quả cho các hệ thống đường ống lớn trong ngành công nghiệp. Với khả năng chịu lực, độ bền cao, và tính linh hoạt, chúng đáp ứng tốt các yêu cầu kỹ thuật và đảm bảo an toàn trong quá trình sử dụng. Việc lựa chọn mặt bích DN 600 phù hợp không chỉ giúp tối ưu hóa hiệu suất hệ thống mà còn giảm thiểu rủi ro và chi phí bảo trì.
Hy vọng bài viết này đã cung cấp cho bạn cái nhìn toàn diện về mặt bích DN 600 và các ứng dụng của nó trong công nghiệp. Nếu bạn có nhu cầu tìm hiểu thêm hoặc cần tư vấn về sản phẩm, đừng ngần ngại liên hệ với chúng tôi để được hỗ trợ tốt nhất.
Rất mong các bạn quan tâm và theo dõi http://thegioivancongnghiep.com/ để cập nhật thông tin mới nhất về DN 600 flange dimensions