Trong lĩnh vực công nghiệp, việc sử dụng mặt bích là điều không thể thiếu để kết nối các ống dẫn và thiết bị lại với nhau. Trong số đó, mặt bích DN25 đóng một vai trò quan trọng nhờ vào khả năng ứng dụng linh hoạt và hiệu quả. Bài viết này sẽ giúp bạn hiểu rõ hơn về khái niệm, ứng dụng, và các thông số kỹ thuật của mặt bích DN25, cũng như cách lắp đặt chúng một cách chính xác. Thông qua bài viết, bạn sẽ tìm hiểu thấy giá trị của việc hiểu rõ dn25 flange dimensions và cách chúng có thể cải thiện hiệu suất công việc của bạn.
Khái Niệm Mặt Bích DN25
Định Nghĩa Mặt Bích
Mặt bích là một bộ phận không thể thiếu trong hệ thống ống dẫn, được sử dụng để kết nối các đoạn ống lại với nhau hoặc nối ống với các thiết bị khác như van, máy bơm. Chúng được chế tạo từ nhiều loại vật liệu khác nhau như thép, inox, đồng, nhựa, và có thể chịu được áp lực cao. Mặt bích DN25 là loại mặt bích có đường kính danh nghĩa là 25mm, thường được sử dụng trong các hệ thống có kích thước nhỏ nhưng yêu cầu độ bền và độ chính xác cao.
Thông số kỹ thuật của mặt bích, hay còn gọi là dn25 flange dimensions, là những yếu tố quan trọng giúp xác định khả năng hoạt động và ứng dụng của mặt bích trong thực tế. Các thông số này bao gồm đường kính ngoài, độ dày mặt bích, và đường kính bắt bu lông. Hiểu rõ các thông số này không chỉ giúp bạn chọn lựa đúng loại mặt bích phù hợp với nhu cầu mà còn đảm bảo an toàn và hiệu quả trong quá trình sử dụng.

Ứng Dụng của Mặt Bích DN25
Mặt bích DN25 được sử dụng rộng rãi trong nhiều lĩnh vực công nghiệp khác nhau, từ hệ thống cấp thoát nước, hệ thống điều hòa không khí, đến các ngành công nghiệp dầu khí và hóa chất. Nhờ vào kích thước nhỏ gọn nhưng vẫn đảm bảo độ bền cao, mặt bích DN25 thích hợp cho các ứng dụng yêu cầu sự chính xác và ổn định. Ngoài ra, chúng còn được sử dụng trong các hệ thống cần sự linh hoạt và dễ dàng tháo lắp, bảo trì.
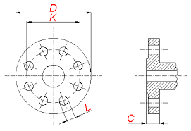
Chi Tiết dn25 flange dimensions
Đường kính ngoài của mặt bích DN25 là một trong những thông số quan trọng nhất, quyết định khả năng kết nối và tính tương thích với các thành phần khác trong hệ thống. Thông thường, đường kính ngoài của mặt bích DN25 dao động từ 85mm đến 115mm, tùy thuộc vào tiêu chuẩn sản xuất và yêu cầu cụ thể của từng ứng dụng.
Độ dày của mặt bích là yếu tố quyết định khả năng chịu áp lực và độ bền của mặt bích trong quá trình sử dụng. Mặt bích DN25 thường có độ dày từ 12mm đến 18mm, đảm bảo khả năng chịu được áp lực cao và các điều kiện khắc nghiệt trong môi trường làm việc.
Đường kính bắt bu lông là thông số xác định kích thước và số lượng bu lông cần thiết để cố định mặt bích vào ống hoặc thiết bị khác. Đối với mặt bích DN25, đường kính bắt bu lông thường dao động từ 50mm đến 70mm, với số lượng bu lông thường là 4 hoặc 6, tùy thuộc vào tiêu chuẩn và yêu cầu cụ thể của hệ thống.
Cách Lắp Đặt Mặt Bích DN25
Việc lắp đặt mặt bích DN25 đòi hỏi sự chính xác và tuân thủ các quy trình kỹ thuật nghiêm ngặt để đảm bảo an toàn và hiệu quả. Trước tiên, cần chuẩn bị đầy đủ các công cụ và thiết bị cần thiết như bu lông, đai ốc, và các dụng cụ siết chặt. Tiếp theo, tiến hành kiểm tra bề mặt tiếp xúc của mặt bích và ống để đảm bảo không có vết nứt hoặc khuyết tật. Sau đó, đặt mặt bích vào vị trí cần lắp đặt, sử dụng bu lông và đai ốc để cố định chắc chắn. Cuối cùng, kiểm tra lại toàn bộ hệ thống để đảm bảo không có rò rỉ và các kết nối đều chắc chắn.
Hãy liên hệ với chúng tôi để tìm hiểu thêm về DN25 flange dimensions phù hợp với nhu cầu của bạn. Chúng tôi cam kết cung cấp sản phẩm chất lượng cao và dịch vụ tốt nhất để đáp ứng mọi yêu cầu của bạn trong lĩnh vực ống inox và van inox.

Kết Luận
Mặt bích DN25 với các thông số kỹ thuật chi tiết như đường kính ngoài, độ dày và đường kính bắt bu lông đóng vai trò quan trọng trong việc đảm bảo sự hoạt động hiệu quả và an toàn của hệ thống ống dẫn. Việc hiểu rõ dn25 flange dimensions không chỉ giúp bạn lựa chọn đúng sản phẩm mà còn tối ưu hóa quá trình lắp đặt và bảo trì. Hy vọng rằng thông qua bài viết này, bạn đã có cái nhìn tổng quan và chi tiết hơn về mặt bích DN25 cũng như cách chúng có thể cải thiện hiệu suất công việc của bạn.
Rất mong các bạn quan tâm và theo dõi http://thegioivancongnghiep.com/ để cập nhật thông tin mới nhất về DN25 flange dimensions