Trong thế giới công nghiệp ngày nay, mặt bích đóng vai trò vô cùng quan trọng trong việc kết nối các hệ thống ống dẫn. Với sự đa dạng về kích thước và tiêu chuẩn, mặt bích DN50 PN16 nổi bật như một lựa chọn phổ biến trong nhiều ứng dụng. Bài viết này sẽ giúp bạn tìm hiểu rõ hơn về các thông số kích thước của mặt bích này, cùng với những ứng dụng thực tiễn của nó trong các hệ thống công nghiệp khác nhau. Qua đó, bạn sẽ có cái nhìn tổng quan và sâu sắc hơn về chủ đề "dn50 pn16 flange dimensions".
Giới thiệu về mặt bích
Định nghĩa mặt bích
Mặt bích là một thiết bị dùng để kết nối các đường ống dẫn, van, và các thiết bị khác trong hệ thống công nghiệp. Chúng thường được làm từ các vật liệu như thép, gang, hoặc inox, đảm bảo độ bền và khả năng chịu áp lực cao. Mặt bích có thể được hàn hoặc bắt vít vào các đường ống và thiết bị, tạo ra một kết nối chắc chắn và có thể tháo rời khi cần thiết. Đây là một giải pháp lý tưởng cho các hệ thống yêu cầu bảo trì thường xuyên hoặc cần thay đổi cấu hình.
Trong ngành công nghiệp, mặt bích được sử dụng rộng rãi trong các hệ thống ống dẫn nước, dầu, khí, và hóa chất. Chúng cho phép kết nối nhanh chóng và an toàn giữa các đoạn ống, đảm bảo sự liên tục và ổn định của dòng chảy. Ngoài ra, mặt bích còn được sử dụng trong việc lắp đặt và bảo trì các thiết bị như van, máy bơm, và các thiết bị đo lường khác. Sự đa dạng về kích thước và tiêu chuẩn của mặt bích giúp chúng có thể dễ dàng thích ứng với nhiều loại hệ thống khác nhau, từ những hệ thống nhỏ gọn đến các hệ thống công nghiệp lớn.

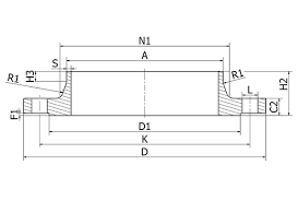
Dn50 pn16 flange dimensions
Mặt bích DN50 PN16 là một trong những loại mặt bích phổ biến nhất, được sản xuất theo tiêu chuẩn quốc tế để đảm bảo tính tương thích và an toàn. "DN" là viết tắt của "Diameter Nominal", biểu thị đường kính danh nghĩa của ống, trong khi "PN" là viết tắt của "Pressure Nominal", biểu thị áp suất danh nghĩa mà mặt bích có thể chịu đựng. Với DN50, mặt bích này phù hợp với các ống có đường kính 50mm, và PN16 cho biết nó có thể chịu được áp suất lên tới 16 bar. Sự kết hợp này giúp mặt bích DN50 PN16 trở thành lựa chọn lý tưởng cho nhiều ứng dụng công nghiệp.
Đường kính ngoài của mặt bích DN50 PN16 thường là khoảng 165mm. Kích thước này đảm bảo mặt bích có thể dễ dàng kết nối với các thiết bị khác mà không gây cản trở dòng chảy. Đường kính ngoài lớn hơn cũng giúp phân bổ áp lực đều hơn, tăng cường độ bền cho mặt bích.
Đường kính trong của mặt bích DN50 PN16 thường dao động từ 50mm đến 52mm, phù hợp với đường kính danh nghĩa của ống. Điều này giúp đảm bảo rằng không có sự cản trở nào trong dòng chảy, tối ưu hóa hiệu suất của hệ thống ống dẫn.
Mặt bích DN50 PN16 thường có 4 lỗ bu lông, phân bố đều xung quanh chu vi. Số lượng và vị trí của các lỗ bu lông được thiết kế để tối ưu hóa sự phân bổ lực, đảm bảo rằng mặt bích được gắn chắc chắn và an toàn.
Khoảng cách giữa các lỗ bu lông trên mặt bích DN50 PN16 thường là 125mm. Khoảng cách này được tính toán cẩn thận để đảm bảo sự cân bằng và độ bền của kết nối, đồng thời cho phép dễ dàng lắp đặt và tháo dỡ khi cần thiết.
Độ dày của mặt bích DN50 PN16 thường là khoảng 18mm. Độ dày này cung cấp độ bền cần thiết để chịu được áp lực cao, đồng thời đảm bảo rằng mặt bích có thể chịu được các tác động cơ học mà không bị biến dạng.
Ứng dụng phổ biến của mặt bích DN50 PN16
Mặt bích DN50 PN16 thường được sử dụng trong các hệ thống ống dẫn nhớt, nơi cần đảm bảo dòng chảy liên tục và không bị rò rỉ. Với khả năng chịu áp suất cao và độ bền cơ học tốt, mặt bích này giúp đảm bảo rằng hệ thống hoạt động ổn định và hiệu quả. Ngoài ra, việc sử dụng mặt bích cũng giúp cho việc bảo trì và sửa chữa trở nên dễ dàng hơn, giảm thiểu thời gian ngừng hoạt động của hệ thống.
Trong các hệ thống ống dẫn khí, mặt bích DN50 PN16 cũng đóng vai trò quan trọng trong việc kết nối các đoạn ống và thiết bị. Khả năng chịu áp suất cao của mặt bích này giúp đảm bảo rằng khí được dẫn truyền một cách an toàn và hiệu quả. Hơn nữa, việc sử dụng mặt bích cho phép dễ dàng kiểm tra và bảo trì hệ thống, đảm bảo rằng mọi vấn đề được phát hiện và khắc phục kịp thời.
Hãy liên hệ với chúng tôi để tìm hiểu thêm về DN50 pn16 flange dimensions phù hợp với nhu cầu của bạn. Chúng tôi cam kết cung cấp sản phẩm chất lượng cao và dịch vụ tốt nhất để đáp ứng mọi yêu cầu của bạn trong lĩnh vực ống inox và van inox.

Kết luận
Qua bài viết này, chúng ta đã cùng tìm hiểu về các thông số và ứng dụng của mặt bích DN50 PN16. Đây là một trong những loại mặt bích phổ biến và được ưa chuộng nhất trong ngành công nghiệp hiện nay, nhờ vào khả năng chịu áp suất cao và sự linh hoạt trong lắp đặt. Việc hiểu rõ về "dn50 pn16 flange dimensions" không chỉ giúp bạn chọn lựa đúng sản phẩm cho hệ thống của mình mà còn giúp tối ưu hóa hiệu suất và độ an toàn của hệ thống. Hãy đảm bảo rằng bạn luôn chọn những sản phẩm chất lượng và tuân thủ đúng các tiêu chuẩn kỹ thuật để đảm bảo sự hoạt động hiệu quả và bền bỉ của hệ thống.
Rất mong các bạn quan tâm và theo dõi http://thegioivancongnghiep.com/ để cập nhật thông tin mới nhất về DN50 pn16 flange dimensions