Trong thế giới công nghiệp hiện đại, việc lựa chọn và sử dụng các loại mặt bích phù hợp là vô cùng quan trọng. Mặt bích PN10 nổi bật như một trong những lựa chọn phổ biến nhất nhờ vào khả năng chịu áp lực và tính ứng dụng rộng rãi của nó. Bài viết này sẽ giúp bạn tìm hiểu sâu hơn về flange pn10 dimension, từ định nghĩa, thông số kỹ thuật đến ứng dụng và lợi ích của nó. Với thông tin chi tiết và toàn diện, bạn sẽ hiểu rõ hơn về cách mặt bích PN10 có thể tối ưu hóa hiệu quả hoạt động của hệ thống công nghiệp của bạn.
Định Nghĩa Mặt Bích PN10
Khái Niệm Mặt Bích
Mặt bích là một phần không thể thiếu trong các hệ thống ống dẫn và thiết bị công nghiệp. Chúng được sử dụng để kết nối các đoạn ống, van, máy bơm và các thiết bị khác với nhau. Mặt bích không chỉ giúp dễ dàng tháo lắp, bảo trì mà còn đảm bảo tính kín khít của hệ thống. Có nhiều loại mặt bích khác nhau, được phân loại dựa trên cách lắp đặt, vật liệu chế tạo, và áp lực hoạt động mà chúng có thể chịu đựng.
PN10 là một chỉ số quan trọng trong việc phân loại mặt bích, thể hiện áp lực danh định mà mặt bích có thể chịu đựng. "PN" là viết tắt của "Pressure Nominal", và số "10" chỉ ra rằng mặt bích có thể chịu áp lực tối đa là 10 bar. Điều này làm cho mặt bích PN10 trở thành lựa chọn lý tưởng cho nhiều ứng dụng công nghiệp, đặc biệt là trong các hệ thống có áp suất thấp đến trung bình.
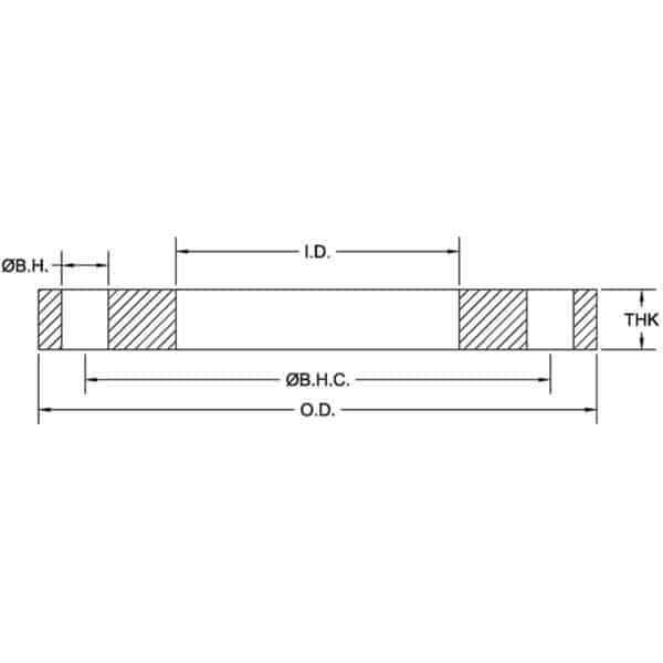
Các thông số kỹ thuật của flange pn10 dimension bao gồm đường kính ngoài, đường kính lỗ bu lông, số lượng và kích thước bu lông, cũng như độ dày của mặt bích. Những thông số này cần được xác định chính xác để đảm bảo rằng mặt bích phù hợp với hệ thống và đáp ứng yêu cầu kỹ thuật.

Ứng Dụng Của Mặt Bích PN10
Mặt bích PN10 thường được sử dụng trong các hệ thống cấp thoát nước nhờ vào khả năng chịu áp lực vừa phải và độ bền cao. Chúng giúp kết nối các đoạn ống dẫn nước với nhau, đảm bảo tính kín khít và an toàn cho hệ thống.
Trong ngành công nghiệp dầu khí, mặt bích PN10 được sử dụng rộng rãi để kết nối các đường ống dẫn dầu và khí. Với khả năng chịu áp lực tốt, chúng giúp đảm bảo an toàn và hiệu quả cho các hệ thống vận chuyển dầu khí.
Không chỉ giới hạn trong ngành nước và dầu khí, mặt bích PN10 còn được áp dụng trong nhiều ngành công nghiệp khác như hóa chất, thực phẩm, và năng lượng. Khả năng chịu áp lực và tính linh hoạt trong lắp đặt giúp chúng trở thành lựa chọn hàng đầu cho nhiều ứng dụng công nghiệp.
Lợi Ích Của Việc Sử Dụng Mặt Bích PN10
Mặt bích PN10 được thiết kế để chịu áp lực tối đa lên đến 10 bar, làm cho chúng trở thành lựa chọn lý tưởng cho các hệ thống có áp suất thấp đến trung bình. Điều này giúp đảm bảo an toàn và hiệu quả hoạt động của hệ thống.
Với thiết kế đơn giản và độ bền cao, mặt bích PN10 giúp giảm thiểu chi phí bảo trì và sửa chữa. Khả năng chống ăn mòn và chịu được áp lực của chúng giúp kéo dài tuổi thọ của hệ thống, từ đó tiết kiệm chi phí vận hành.
Dễ Dàng Lắp Đặt
Mặt bích PN10 có thiết kế đơn giản và dễ dàng lắp đặt, giúp tiết kiệm thời gian và công sức trong quá trình thi công. Điều này đặc biệt quan trọng trong các dự án lớn, nơi mà thời gian và hiệu quả là yếu tố quyết định.
Qua bài viết này, chúng tôi đã cung cấp cho bạn cái nhìn toàn diện về flange pn10 dimension, từ định nghĩa, thông số kỹ thuật đến ứng dụng và lợi ích của chúng. Mặt bích PN10 không chỉ là một phần quan trọng trong các hệ thống công nghiệp mà còn đóng vai trò then chốt trong việc đảm bảo an toàn và hiệu quả hoạt động. Với sự hiểu biết sâu rộng này, bạn có thể tự tin hơn trong việc lựa chọn và sử dụng mặt bích PN10 cho các dự án của mình.
Hãy liên hệ với chúng tôi để tìm hiểu thêm về Flange pn10 dimension phù hợp với nhu cầu của bạn. Chúng tôi cam kết cung cấp sản phẩm chất lượng cao và dịch vụ tốt nhất để đáp ứng mọi yêu cầu của bạn trong lĩnh vực ống inox và van inox.

Nhìn chung, mặt bích PN10 là một giải pháp hiệu quả cho nhiều ứng dụng công nghiệp. Chúng không chỉ giúp kết nối các hệ thống một cách an toàn và hiệu quả mà còn mang lại nhiều lợi ích kinh tế. Với khả năng chịu áp lực tốt, dễ dàng lắp đặt và tiết kiệm chi phí bảo trì, mặt bích PN10 chắc chắn là lựa chọn tối ưu cho các dự án của bạn. Hãy cân nhắc sử dụng mặt bích PN10 để tối ưu hóa hiệu quả hoạt động và đảm bảo an toàn cho hệ thống của bạn.
Rất mong các bạn quan tâm và theo dõi http://thegioivancongnghiep.com/ để cập nhật thông tin mới nhất về Flange pn10 dimension