Trong thế giới công nghiệp hiện đại, mặt bích đóng vai trò quan trọng trong việc kết nối các đường ống, van, máy bơm và các thiết bị khác để tạo thành một hệ thống hoàn chỉnh. Đặc biệt, mặt bích PN 25 được biết đến với khả năng chịu áp lực cao và tính linh hoạt trong nhiều ứng dụng công nghiệp. Bài viết này sẽ giúp bạn tìm hiểu rõ hơn về kích thước mặt bích PN 25, bao gồm định nghĩa, tiêu chuẩn áp lực, ứng dụng thực tế, và các lưu ý quan trọng khi lựa chọn và lắp đặt. Thông qua đó, bạn sẽ có cái nhìn toàn diện về sản phẩm này và biết cách áp dụng chúng một cách hiệu quả trong công việc của mình.
Khái niệm về pn 25 flange dimensions
Định nghĩa và chức năng của pn 25 flange dimensions
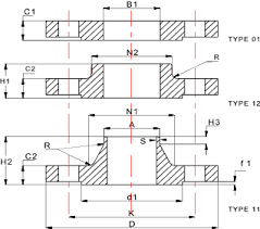
Mặt bích PN 25 là một loại phụ kiện kết nối được sử dụng rộng rãi trong các hệ thống đường ống công nghiệp. "PN" là viết tắt của "Pressure Nominal", chỉ định áp lực danh nghĩa mà mặt bích có thể chịu được, trong trường hợp này là 25 bar. Kích thước của mặt bích PN 25 được thiết kế để đáp ứng các tiêu chuẩn quốc tế, đảm bảo sự an toàn và hiệu quả trong quá trình vận hành.
Chức năng chính của mặt bích PN 25 là kết nối các đoạn ống với nhau hoặc kết nối ống với các thiết bị khác như van, máy bơm. Ngoài ra, mặt bích còn giúp dễ dàng tháo lắp, bảo trì và thay thế các bộ phận trong hệ thống mà không cần phải cắt ống. Điều này làm tăng tính linh hoạt và tiết kiệm chi phí cho các doanh nghiệp.

Tiêu chuẩn áp lực PN trong công nghiệp
Trong ngành công nghiệp, tiêu chuẩn áp lực PN là một yếu tố quan trọng để xác định khả năng chịu áp lực của các phụ kiện đường ống. PN 25 có nghĩa là mặt bích có thể chịu được áp lực tối đa là 25 bar ở nhiệt độ phòng. Tiêu chuẩn này được quy định bởi các tổ chức quốc tế như ISO, DIN, và EN, nhằm đảm bảo sự an toàn và chất lượng của sản phẩm.
Việc tuân thủ tiêu chuẩn PN không chỉ đảm bảo rằng mặt bích có thể hoạt động ổn định dưới áp lực cao, mà còn giúp các kỹ sư thiết kế hệ thống đường ống một cách chính xác, tránh các sự cố tiềm ẩn do áp lực quá tải. Điều này đặc biệt quan trọng trong các ngành công nghiệp nặng như dầu khí, hóa chất, và năng lượng.
Ứng dụng của mặt bích PN 25 trong thực tế
Các ngành công nghiệp sử dụng PN 25
Mặt bích PN 25 được ứng dụng rộng rãi trong nhiều ngành công nghiệp khác nhau nhờ vào khả năng chịu áp lực cao và độ bền vượt trội. Trong ngành dầu khí, chúng được sử dụng để kết nối các đoạn ống dẫn dầu, khí đốt với nhau, đảm bảo an toàn và hiệu quả trong quá trình vận chuyển. Tương tự, trong ngành hóa chất, mặt bích PN 25 giúp kết nối các hệ thống ống dẫn hóa chất, chịu được áp lực và tác động của các chất ăn mòn.
Ngành năng lượng cũng là một lĩnh vực mà mặt bích PN 25 được sử dụng phổ biến, đặc biệt trong các nhà máy điện, nơi cần kết nối các hệ thống ống dẫn nước, hơi nước dưới áp lực cao. Ngoài ra, chúng còn được ứng dụng trong ngành sản xuất thực phẩm, dược phẩm, và xử lý nước thải, nơi yêu cầu các tiêu chuẩn vệ sinh và an toàn nghiêm ngặt.
Ưu và nhược điểm của mặt bích PN 25
Một trong những ưu điểm nổi bật của mặt bích PN 25 là khả năng chịu áp lực cao, giúp đảm bảo an toàn trong các ứng dụng công nghiệp quan trọng. Chúng cũng được thiết kế với độ bền cao, chịu được tác động của môi trường khắc nghiệt và các hóa chất ăn mòn. Ngoài ra, mặt bích PN 25 còn dễ dàng lắp đặt và bảo trì, giúp tiết kiệm thời gian và chi phí cho doanh nghiệp.
Tuy nhiên, mặt bích PN 25 cũng có một số nhược điểm cần lưu ý. Chúng có thể có giá thành cao hơn so với các loại mặt bích có áp lực thấp hơn, do yêu cầu vật liệu và thiết kế phức tạp hơn. Ngoài ra, việc lựa chọn và lắp đặt không đúng cách có thể dẫn đến rò rỉ hoặc hỏng hóc trong hệ thống đường ống, gây ra những sự cố nghiêm trọng.
Lưu ý khi lựa chọn và lắp đặt mặt bích PN 25
Các yếu tố cần xem xét khi lựa chọn mặt bích
Khi lựa chọn mặt bích PN 25, có một số yếu tố quan trọng cần xem xét để đảm bảo rằng sản phẩm phù hợp với yêu cầu của hệ thống. Thứ nhất, cần xác định chính xác áp lực và nhiệt độ mà hệ thống sẽ hoạt động, từ đó chọn loại mặt bích có khả năng chịu áp lực và nhiệt độ tương ứng. Thứ hai, vật liệu của mặt bích cũng rất quan trọng, cần chọn loại vật liệu chịu được môi trường hoạt động, chẳng hạn như chống ăn mòn hoặc chịu nhiệt tốt.
Thứ ba, kích thước và tiêu chuẩn của mặt bích phải phù hợp với các tiêu chuẩn quốc tế và yêu cầu kỹ thuật của hệ thống. Cuối cùng, cần xem xét đến chi phí và khả năng bảo trì của mặt bích, đảm bảo rằng sản phẩm không chỉ đáp ứng yêu cầu kỹ thuật mà còn phù hợp với ngân sách và kế hoạch bảo trì của doanh nghiệp.
Hướng dẫn lắp đặt mặt bích PN 25
Việc lắp đặt mặt bích PN 25 yêu cầu sự chính xác và cẩn thận để đảm bảo an toàn và hiệu quả. Trước tiên, cần kiểm tra kỹ các bề mặt tiếp xúc của mặt bích và các phụ kiện khác, đảm bảo không có bụi bẩn hoặc hư hỏng. Tiếp theo, cần sử dụng các công cụ và thiết bị chuyên dụng để lắp đặt, đảm bảo các ốc vít và bu lông được siết chặt đúng lực.
Trong quá trình lắp đặt, cần tuân thủ các hướng dẫn và tiêu chuẩn kỹ thuật để đảm bảo rằng mặt bích được lắp đặt đúng cách, không bị lệch hoặc rò rỉ. Sau khi lắp đặt, cần kiểm tra lại toàn bộ hệ thống, đảm bảo rằng không có hiện tượng rò rỉ hoặc hỏng hóc. Việc bảo trì định kỳ cũng rất quan trọng để đảm bảo rằng mặt bích hoạt động ổn định và hiệu quả trong suốt thời gian sử dụng.
Hãy liên hệ với chúng tôi để tìm hiểu thêm về PN 25 flange dimensions phù hợp với nhu cầu của bạn. Chúng tôi cam kết cung cấp sản phẩm chất lượng cao và dịch vụ tốt nhất để đáp ứng mọi yêu cầu của bạn trong lĩnh vực ống inox và van inox.

Kết luận
Mặt bích PN 25 là một phần quan trọng trong các hệ thống đường ống công nghiệp, với khả năng chịu áp lực cao và độ bền vượt trội. Việc hiểu rõ về kích thước và tiêu chuẩn áp lực của mặt bích PN 25 sẽ giúp bạn lựa chọn và sử dụng sản phẩm một cách hiệu quả, đảm bảo an toàn và hiệu quả cho hệ thống của mình. Hy vọng rằng bài viết này đã cung cấp cho bạn những thông tin hữu ích và giúp bạn có cái nhìn toàn diện về mặt bích PN 25.
Trong tương lai, với sự phát triển của công nghệ và nhu cầu ngày càng cao của các ngành công nghiệp, mặt bích PN 25 sẽ tiếp tục đóng vai trò quan trọng trong việc đảm bảo sự an toàn và hiệu quả của các hệ thống đường ống. Hãy chắc chắn rằng bạn luôn cập nhật những kiến thức mới nhất và lựa chọn sản phẩm phù hợp để đáp ứng nhu cầu của công việc.
Rất mong các bạn quan tâm và theo dõi http://thegioivancongnghiep.com/ để cập nhật thông tin mới nhất về PN 25 flange dimensions