Mặt bích PN10 là một trong những thành phần quan trọng trong các hệ thống đường ống công nghiệp. Với khả năng chịu áp lực tốt và tính linh hoạt cao, mặt bích PN10 đã trở thành lựa chọn phổ biến trong nhiều ngành công nghiệp khác nhau. Bài viết này sẽ cung cấp một cái nhìn tổng quan về pn10 flange dimensions, từ khái niệm cơ bản đến ứng dụng thực tế, cùng với các tiêu chuẩn và kích thước chi tiết của nó. Đặc biệt, chúng ta sẽ khám phá những lợi ích mà mặt bích PN10 mang lại cũng như cách lựa chọn loại mặt bích phù hợp nhất cho nhu cầu sử dụng của bạn. Hãy cùng tìm hiểu sâu hơn về chủ đề này qua bài viết dưới đây.
Giới thiệu về pn10 flange dimensions
Khái niệm pn10 flange dimensions
Mặt bích PN10 là một loại phụ kiện được sử dụng để kết nối các đoạn ống với nhau hoặc nối ống với các thiết bị khác trong hệ thống. PN10 chỉ định áp suất danh nghĩa mà mặt bích có thể chịu đựng, tương đương với 10 bar. Đây là một trong những tiêu chuẩn phổ biến nhất trong các hệ thống đường ống, đặc biệt là trong các ứng dụng liên quan đến nước và dầu khí.
Mặt bích đã được sử dụng từ rất lâu trong ngành công nghiệp để tạo ra các kết nối chắc chắn và dễ dàng tháo lắp giữa các đoạn ống. Với sự phát triển của công nghệ và nhu cầu ngày càng cao về an toàn và hiệu suất, mặt bích PN10 đã được cải tiến để đáp ứng các tiêu chuẩn quốc tế nghiêm ngặt. Sự phát triển này không chỉ dừng lại ở việc cải thiện chất lượng vật liệu mà còn bao gồm các thiết kế tối ưu để giảm thiểu rò rỉ và tăng cường độ bền.

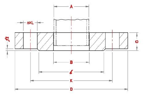
Tiêu chuẩn và kích thước của mặt bích PN10
Mặt bích PN10 tuân thủ theo các tiêu chuẩn quốc tế như ISO, EN, và DIN, đảm bảo tính tương thích và an toàn khi sử dụng trong các hệ thống đường ống toàn cầu. Những tiêu chuẩn này quy định rõ ràng về kích thước, vật liệu, và khả năng chịu áp lực của mặt bích, giúp người sử dụng có thể dễ dàng lựa chọn sản phẩm phù hợp với nhu cầu cụ thể.
Kích thước của mặt bích PN10 thường được xác định dựa trên đường kính ống và áp suất làm việc. Các thông số quan trọng bao gồm đường kính trong, đường kính ngoài, số lượng và kích thước lỗ bu lông. Mặt bích PN10 có thể được sản xuất từ nhiều loại vật liệu khác nhau như thép không gỉ, thép cacbon, và hợp kim, tùy thuộc vào yêu cầu cụ thể của từng ứng dụng.
Khi so sánh với các loại mặt bích khác như PN16, PN25, hoặc PN40, mặt bích PN10 thường có độ dày và số lượng lỗ bu lông ít hơn. Điều này giúp giảm chi phí và trọng lượng của hệ thống, đồng thời vẫn đảm bảo khả năng chịu áp lực trong các ứng dụng tiêu chuẩn. Tuy nhiên, đối với các ứng dụng yêu cầu áp suất cao hơn, người dùng có thể cần cân nhắc sử dụng các loại mặt bích có chỉ số PN cao hơn.
Ứng dụng của mặt bích PN10
Trong ngành công nghiệp dầu khí, mặt bích PN10 được sử dụng rộng rãi để kết nối các đường ống vận chuyển dầu và khí. Khả năng chịu áp lực tốt và độ bền cao của mặt bích PN10 giúp đảm bảo an toàn và hiệu quả trong quá trình vận hành, giảm thiểu nguy cơ rò rỉ và sự cố.
Mặt bích PN10 cũng là một lựa chọn lý tưởng cho các hệ thống cấp thoát nước, nơi mà áp suất làm việc thường không quá cao. Với khả năng chống ăn mòn và dễ dàng lắp đặt, mặt bích PN10 giúp duy trì sự ổn định và hiệu quả của hệ thống trong thời gian dài.
Trong lĩnh vực xây dựng và các ngành công nghiệp khác, mặt bích PN10 được sử dụng để kết nối các hệ thống ống dẫn khí, hóa chất và các chất lỏng khác. Sự linh hoạt trong thiết kế và khả năng tương thích với nhiều loại ống khác nhau giúp mặt bích PN10 trở thành một giải pháp kết nối đáng tin cậy cho nhiều ứng dụng khác nhau.
Lợi ích của việc sử dụng mặt bích PN10
Mặt bích PN10 được chế tạo từ các vật liệu chất lượng cao, đảm bảo độ bền và khả năng chịu lực tốt. Điều này giúp kéo dài tuổi thọ của hệ thống và giảm thiểu chi phí bảo trì và sửa chữa.
Với thiết kế đơn giản và dễ dàng tháo lắp, mặt bích PN10 cho phép thực hiện các công việc bảo trì và sửa chữa một cách nhanh chóng và hiệu quả. Điều này đặc biệt quan trọng trong các ứng dụng công nghiệp, nơi mà thời gian dừng hoạt động có thể gây ra tổn thất lớn.
Cách lựa chọn mặt bích PN10 phù hợp
Khi lựa chọn mặt bích PN10, người dùng cần xem xét các yếu tố như áp suất làm việc, nhiệt độ, loại chất lỏng hoặc khí được vận chuyển, và vật liệu của ống. Những yếu tố này sẽ ảnh hưởng đến loại mặt bích phù hợp nhất cho ứng dụng cụ thể.
Các chuyên gia khuyến nghị người dùng nên lựa chọn mặt bích từ các nhà sản xuất uy tín, đảm bảo sản phẩm đáp ứng đầy đủ các tiêu chuẩn chất lượng và an toàn. Ngoài ra, việc tham khảo ý kiến của các chuyên gia trong ngành cũng có thể giúp người dùng đưa ra quyết định đúng đắn hơn.
Hãy liên hệ với chúng tôi để tìm hiểu thêm về pn10 flange dimensions phù hợp với nhu cầu của bạn. Chúng tôi cam kết cung cấp sản phẩm chất lượng cao và dịch vụ tốt nhất để đáp ứng mọi yêu cầu của bạn trong lĩnh vực ống inox và van inox.

Kết luận
Mặt bích PN10 là một thành phần quan trọng trong các hệ thống đường ống, với nhiều lợi ích vượt trội về độ bền, hiệu suất và khả năng ứng dụng rộng rãi. Bằng cách hiểu rõ các tiêu chuẩn và kích thước của mặt bích PN10, người dùng có thể lựa chọn sản phẩm phù hợp nhất cho nhu cầu của mình. Qua đó, đảm bảo sự an toàn và hiệu quả trong quá trình vận hành hệ thống. Để tối ưu hóa lợi ích, người dùng nên cân nhắc kỹ lưỡng các yếu tố kỹ thuật và tham khảo ý kiến từ các chuyên gia trong ngành. Mặt bích PN10 không chỉ là một giải pháp kết nối đáng tin cậy mà còn là một phần quan trọng trong việc đảm bảo sự an toàn và hiệu quả cho các hệ thống công nghiệp, từ dầu khí đến cấp thoát nước và xây dựng. Với những lợi ích và ứng dụng đa dạng, mặt bích PN10 chắc chắn sẽ tiếp tục đóng vai trò quan trọng trong các ngành công nghiệp hiện đại.
Rất mong các bạn quan tâm và theo dõi http://thegioivancongnghiep.com/ để cập nhật thông tin mới nhất về pn10 flange dimensions